Powered by Smartsupp

czesci-do-alternatorow -

Część do alternatora HC-CARGO 131827

F032131827_96DPI_SC_PRODUCT_FRONT_IMAGE
search
  • F032131827_96DPI_SC_PRODUCT_FRONT_IMAGE
  • F032131827_96DPI_SC_DIMENSIONAL_IMAGE
Line Icon Standard Line
| Nové
Index: 131827 | EAN: 5705541143913 | Producent: HC-CARGO | Waga: 0.002 kg
Status produktu: Aktywny
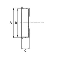
Uszczelniacz łożyska

Cechy produktu:

Sredn. wewn. w mm 30.00
Sredn. zewn. w mm 32.00
Wysokosc w mm 13.40

Numer referencyjny:

ABEC3008S Autostarter Poland
131829 HC-Cargo
F032131827 HC-Cargo
590627 Paris Rhone, see Valeo
590627 see Valeo
71997103 SEV
104808 Valeo
104809 Valeo
104810 Valeo
590627 Valeo
71997103 Valeo
46-94406 Wai
EC4142 Wood Auto
Cena:
0,00 zł

Čistá cena: 0.00 zł

Počet:
Vyprodáno