Powered by Smartsupp

czesci-do-alternatorow -

Część do alternatora HC-CARGO 330287

F032330287_96DPI_SC_PRODUCT_FRONT_IMAGE
search
  • F032330287_96DPI_SC_PRODUCT_FRONT_IMAGE
  • F032330287_96DPI_SC_DIMENSIONAL_IMAGE
Line Icon Standard Line
| Nové
Index: 330287 | EAN: 5705541932128 | Producent: HC-CARGO | Waga: 0.474 kg
Status produktu: Aktywny
Pulley tool: HC-CARGO 210843.
Koło pasowe z wolnobiegiem

Cechy produktu:

Typ kola pasowego SP/FW
Kier. obrotu CW
Informacje o produkcie BN
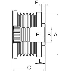
Sredn. zewn. w mm 54.00
Rozmiar gwintu M17-1.50
Szerokosc mm 40.90
Glebokosc w mm 14.10
Rowki 6
Odleglosc (tyl) 5.50
Srednica otworu 17.00
Typ pasa Multi Belt
Wolnobieg w/
Pomiar 1 rowka 16.50

Numer referencyjny:

AFP6013 Autostarter Poland
AFP6013(INA) Autostarter Poland
AFP6013(V) Autostarter Poland
121041-1140 Denso
77363948 Fiat
77364725 Fiat
F032330287 HC-Cargo
353570 Ika
353571 Ika
f-238822 Ina
f-238822.01 Ina
F-238822.02 Ina
5350112000 Luk
5350112010 Luk
535011210 Luk
588045 Valeo
85-41-80 Visnova
5528 Zen

warning Uwaga:

Pulley tool: HC-CARGO 210843.

Podobne:

Cena:
0,00 zł

Čistá cena: 0.00 zł

Počet:
Vyprodáno